マツダ ベリーサ DC5W エンジン・チェックランプ点灯 EGR交換 呉市の第一自動車へ
第一自動車
2025/10/20カテゴリ : 修理
                
															【症状】エンジン・チェックランプ警告灯が点灯との事で入庫致しました。
走行点検では、アイドリングの不調、加速不良の症状がありました。
(走行距離:163,000㎞)
https://www.d1kure.com/bankin_394.html
																																	
							
																												
【診断】エンジンは、いくつものセンサーやアクチュエーターをコンピューター制御しているため、コンピューター・システム診断器(スキャンツール)と車体(OBD端子)を接続してシステム診断をします。
																																	
							
													
スキャンツールによるダイアグ・コード読み取り測定
診断結果は、エラーコードが表示されました。
※診断の結果〔P0401〕EGR制御系統・流量不足検出を検出しました。
																																	
							
													
診断結果をレポートを印刷します。
																																	
							
													
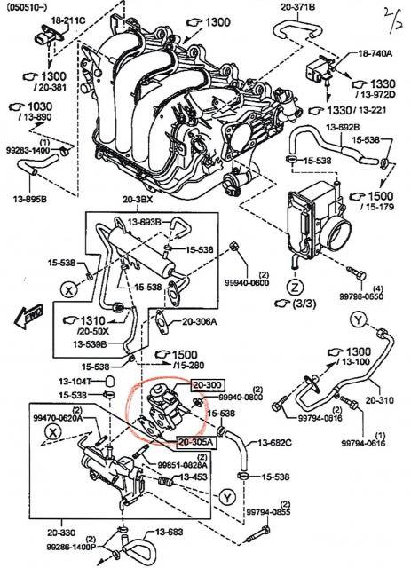
【交換部品の説明】「EGR」とは、「Exhaust Gas Recirculation(排気ガス再循環)」の略で、車の排気ガス対策と燃費向上に役立っている排気ガス再循環装置の事です。
仕組みは、排気ガスの一部を再度エンジンに吸気させているバルブ。
																																	
							
													
【整備概要】EGRバルブASSYを交換する事となりました。
																																	
							
													
【整備】EGRを取り外すため、エンジンカバー/ エアクリーナー・ケース/エアダクト/エアーフローセンサーを取り外します。
																																	
							
													
																																						
							
													
																																						
							
													
【整備】EGRバルブ本体を取り外します。(配線含む)
																																	
							
													
【単体点検】取り外したEGRパイプ内部には、真っ黒く固着したカーボンが付着しています。
																																	
							
													
																																						
							
													
【整備】EGRバルブASSY/ガスケットを交換しました。
																																	
							
													
																																						
							
													
																																						
							
													
【追加整備】スロットバルブ・ボディ内部が、カーボンが付着して汚れていたため、カーボンクリーナーで洗浄をしていきます。エンジンク内部クリーニング(燃焼室・吸排気系統清浄)
※スロットルバルブのカーボン付着が原因によりアイドリング不調となる場合があります。
																																	
							
													
																																						
							
													
																																						
							
													
【最終確認】脱着・取り付け部を再確認して、再度スキャンツールを接続してコンピューターの故障履歴をリセット(初期化)、エンジンチェックランプの消灯確認をして、テスト走行、問題ない事を確認して整備完了です。
																																	
							
													
【整備保証】整備後も、しっかりサポートの整備保障で安心です。
呉市の第一自動車で安心・安全な快適なカーライフを!
整備期間中は、代車(無料)をご利用下さい。
https://www.d1kure.com/bankin_394.html
【お支払い】カード払い、QRコード決済もOKです!
■カード■QRコード決済(PAY PAY/D払い/楽天ペイ/LINE Pay/auPAY/LINEPay/メルカリPay/J-coin)
            
            
            
            
            
        走行点検では、アイドリングの不調、加速不良の症状がありました。
(走行距離:163,000㎞)
https://www.d1kure.com/bankin_394.html
																												【診断】エンジンは、いくつものセンサーやアクチュエーターをコンピューター制御しているため、コンピューター・システム診断器(スキャンツール)と車体(OBD端子)を接続してシステム診断をします。
													スキャンツールによるダイアグ・コード読み取り測定
診断結果は、エラーコードが表示されました。
※診断の結果〔P0401〕EGR制御系統・流量不足検出を検出しました。
													診断結果をレポートを印刷します。
													【交換部品の説明】「EGR」とは、「Exhaust Gas Recirculation(排気ガス再循環)」の略で、車の排気ガス対策と燃費向上に役立っている排気ガス再循環装置の事です。
仕組みは、排気ガスの一部を再度エンジンに吸気させているバルブ。
													【整備概要】EGRバルブASSYを交換する事となりました。
													【整備】EGRを取り外すため、エンジンカバー/ エアクリーナー・ケース/エアダクト/エアーフローセンサーを取り外します。
													
													
													【整備】EGRバルブ本体を取り外します。(配線含む)
													【単体点検】取り外したEGRパイプ内部には、真っ黒く固着したカーボンが付着しています。
													
													【整備】EGRバルブASSY/ガスケットを交換しました。
													
													
													【追加整備】スロットバルブ・ボディ内部が、カーボンが付着して汚れていたため、カーボンクリーナーで洗浄をしていきます。エンジンク内部クリーニング(燃焼室・吸排気系統清浄)
※スロットルバルブのカーボン付着が原因によりアイドリング不調となる場合があります。
													
													
													【最終確認】脱着・取り付け部を再確認して、再度スキャンツールを接続してコンピューターの故障履歴をリセット(初期化)、エンジンチェックランプの消灯確認をして、テスト走行、問題ない事を確認して整備完了です。
													【整備保証】整備後も、しっかりサポートの整備保障で安心です。
呉市の第一自動車で安心・安全な快適なカーライフを!
整備期間中は、代車(無料)をご利用下さい。
https://www.d1kure.com/bankin_394.html
【お支払い】カード払い、QRコード決済もOKです!
■カード■QRコード決済(PAY PAY/D払い/楽天ペイ/LINE Pay/auPAY/LINEPay/メルカリPay/J-coin)

        
